Serbatoio di dosaggio ZP-400
Opzioni disponibili
- Codice Prodotto: ZP-400
Descrizione
ZP-400 è un dosatore industriale progettato per l’automazione del processo di produzione di pellet e granuli. Il dispositivo consente un’alimentazione precisa e prolungata del materiale grezzo ai granulatore come GMK, Pelletnik o Rotex. In questo modo migliora l’efficienza dell’intera linea tecnologica, ottimizzando sia le prestazioni che la qualità del prodotto finale.
Il dosatore è dotato di un alimentatore a coclea con motore riduttore da 1,1 kW e una serranda manuale per la regolazione del flusso del materiale. Questa soluzione permette di adeguare in modo fluido l’intensità dell’alimentazione della materia prima alle attuali esigenze produttive. La struttura del serbatoio si basa su componenti resistenti e garantisce affidabilità di funzionamento in ambienti industriali.
È possibile testare questa macchina con il tuo materiale direttamente nel nostro magazzino!
Vantaggi principali del dosatore ZP-400
• Consente un funzionamento continuo e stabile dei granulatori senza bisogno di dosaggio manuale.
• Dotato di alimentatore a coclea azionato da un motore da 1,1 kW – alta efficienza e precisione.
• La serranda manuale consente di regolare in tempo reale la quantità del materiale fornito.
• Struttura compatta che facilita l’integrazione con la linea di produzione.
• Alta capacità del serbatoio (390 litri) che riduce la frequenza di reintegro della materia prima.
• Basso consumo energetico e facilità d’uso.
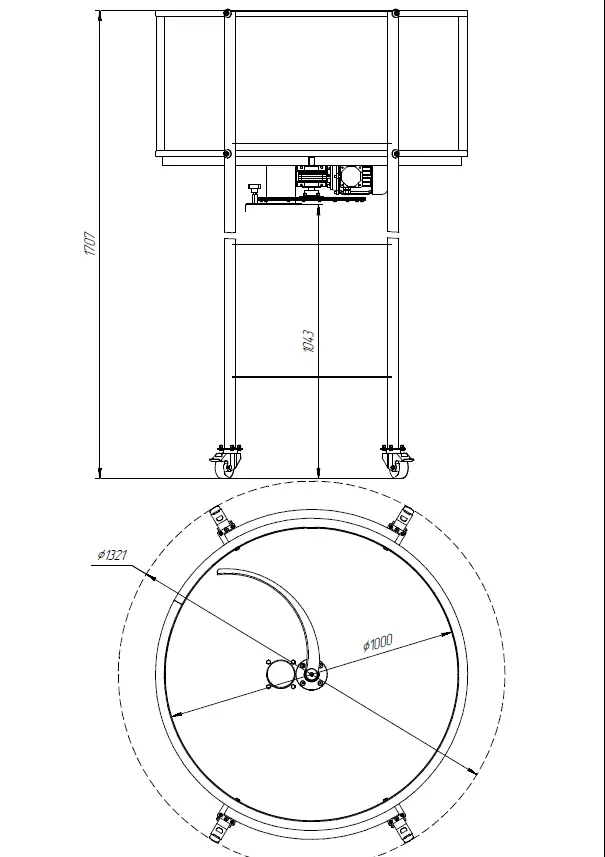
Disegno tecnico:

Applicazione del dosatore ZP-400 nell’industria
Il dosatore ZP-400 trova impiego ovunque sia richiesta l’automazione dell’alimentazione della materia prima nei granulatori. È ideale per le aziende che producono pellet da riscaldamento, mangimi o granuli tecnici. La sua struttura universale e l’elevata efficienza lo rendono la soluzione perfetta per linee di produzione di piccole e medie dimensioni.
Dati tecnici:
- Capacità del serbatoio: 390 l
- Motoriduttore: 1,1 kW
- Alimentazione: 220-240 V / 380-400 V
- Peso: 81 kg
Hai bisogno di ulteriori informazioni su questo dispositivo?
Contattaci: troveremo la soluzione migliore per te!
Contattaci