Elektrická pražicí jednotka na zrno RoastPro-50
- Kód výrobku: RoastPro-50
Popis
Elektrická pražička zrn RoastPro-50 je moderní zařízení určené k tepelnému zpracování sypkých surovin, vytvořené s ohledem na malé a střední pražírny kávy a provozy, které se zabývají zpracováním potravinářských zrn. Umožňuje přesné a rovnoměrné pražení zrn, což zaručuje vysokou kvalitu konečného produktu. Tento model se díky své kompaktní konstrukci a intuitivní obsluze osvědčí jak v profesionálních dílnách, tak mezi kávovými nadšenci, kteří hledají spolehlivý stroj na pražení zrn a také na míchání zrn.
Elektrická pražička je zařízení určené k tepelnému zpracování různých druhů sypkých produktů, jako jsou obiloviny, ořechy, semena, kávová zrna, koření apod. Pracuje na elektrický pohon a zajišťuje rovnoměrné ohřívání a míchání suroviny, což umožňuje získání vysoké kvality pražení nebo sušení.
Je možné si tuto stroj vyzkoušet na Vaší surovině v našem skladu!
Hlavní výhody elektrické pražičky zrn RoastPro-50
- Topné prvky (spirály) – vyrobeny z nerezové oceli, rovnoměrně rozvádějí teplo.
- Míchací mechanismus – speciálně navržené míchadlo brání připálení a zajišťuje rovnoměrné zpracování produktu.
- Termoregulátor – umožňuje přesné nastavení teploty v závislosti na druhu suroviny.
- Čištění od nečistot – během procesu pražení těžší částice klesají ke dnu, lehčí stoupají vzhůru.
- Tepelná izolace – zvyšuje energetickou účinnost a udržuje teplo uvnitř komory.
Elektrické pražičky jsou široce využívány v potravinářském průmyslu, výrobních provozech, kavárnách, restauracích i v domácích podmínkách – pro domácí pražení ořechů, semen nebo obilí.
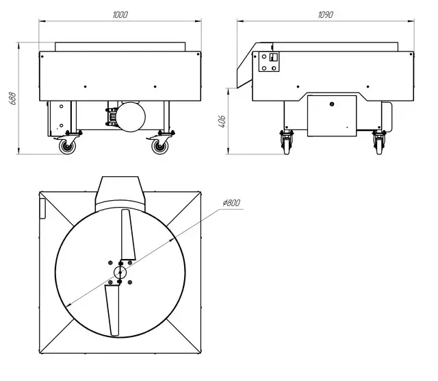
Technický nákres:

Využití
Pražička zrn RoastPro-50 se perfektně hodí do malých a středních pražíren kávy, řemeslných dílen zabývajících se zpracováním zrn, gastronomických provozů, které nabízejí čerstvě praženou kávu, nebo do laboratoří testujících vzorky různých druhů zrn. Díky své všestrannosti je elektrická pražička RoastPro-50 spolehlivým nástrojem pro každého, kdo ocení plnost chuti a aroma čerstvě upražených zrn, ale i pro uživatele, kteří potřebují stroj na pražení obilí, ořechů, koření a dalších surovin.
Princip fungování
Základní princip práce elektrické pražičky spočívá v trvalém ohřívání suroviny a jejím rovnoměrném míchání. Zařízení je vybaveno silným převodovým motorem, který zajistí účinné promíchávání i těžkých materiálů, např. vlhkého písku.
Topné spirály z nerezové oceli zaručují dlouhou životnost přístroje a stabilitu provozu.
Výhody a zvláštní vlastnosti:
- Rovnoměrné ohřívání.Topné prvky jsou rozmístěny po celém povrchu pražičky, což umožňuje vysokou kvalitu pražení. Při provozu využívají pouze cca 50 % jmenovitého výkonu, což výrazně snižuje spotřebu energie. Další tepelná izolace o tloušťce 200 mm zvyšuje tepelnou účinnost.
- Efektivní míchání.Díky speciální konstrukci míchadla je surovina rovnoměrně rozprostřena, bez usazování na stěnách. Pro různé typy surovin lze zvolit odpovídající typ míchadla.
- Přesná regulace teploty.Digitální termoregulátor umožňuje přesné nastavení teploty v závislosti na typu produktu a zajišťuje stabilitu procesu.
- Čištění během pražení.Těžké částice (např. kamínky) padají na dno, zatímco lehké (slupky, větvičky, semínka) vystupují na povrch a lze je snadno odstranit.
- Kontrola kvality.Obsluha může kdykoliv zkontrolovat stupeň upražení – barvu, vůni a konzistenci produktu. Po ukončení procesu stačí otevřít výsyp a vysypat hotový produkt do nádoby.
Proč si vybrat právě tuto pražičku?
- Univerzálnost – vhodná pro pražení libovolných sypkých produktů.
- Kompaktní konstrukce – ideální pro malé podniky a dílny.
- Úspora energie – snížená spotřeba elektrické energie.
- Odolnost a spolehlivost – jednoduchá konstrukce zaručuje dlouhou životnost.
- Atraktivní cena – výborný poměr kvality a pořizovací ceny.
Tato pražička je ideálním řešením pro ty, kteří hledají efektivní, ekonomické a odolné zařízení pro tepelné zpracování sypkých surovin.
Technické parametry:
• Typ napájení: 380–400 V
• Výkon: do 50 kg/h | do 400 kg/směnu
• Rozměry: 1000 × 1100 × 800 mm
• Hmotnost: 110 kg
• Jednorázové naložení: do 25 kg
• Objem nádoby: 100 litrů
• Materiál: nerezová ocel
• Teplotní rozsah: 60–280 °C
• Rychlost otáčení míchadla: 14 ot./min (na objednávku – libovolná)
• Jmenovitý výkon: 6,5 kW
Potřebujete více informací o tomto zařízení?
Kontaktujte nás – poradíme vám nejlepší řešení!
Kontaktujte nás